当前位置: 首页 > 产品大全 > 国内高档电化学烟雾报警器 消防安全的明智选择

国内高档电化学烟雾报警器 消防安全的明智选择

国内高档电化学烟雾报警器 消防安全的明智选择

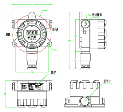
在现代消防系统中,烟雾报警器是不可或缺的安全保障设备。其中,电化学烟雾报警器凭借其高灵敏度和可靠性,成为高档产品的代名词。当谈及国内厂家供应的电化学烟雾报警器时,其优势尤为突出。

电化学烟雾报警器采用先进的电化学传感器技术,能够精准检测烟雾浓度,尤其在早期火灾预警中表现卓越。与传统的离子式或光电式报警器相比,电化学报警器响应更快,误报率更低,适合家庭、办公室、酒店等高档场所使用。

国内厂家生产的高档电化学烟雾报警器具有明显的竞争优势。这些产品在设计和制造过程中,严格遵循国家标准,如GB 20517《点型感烟火灾探测器》等,确保产品质量与安全性能。同时,国内供应链的成熟使得这些报警器成本更低,价格更具亲和力,而品质却不输国际品牌。消费者可以轻松获得性价比高的产品,享受本土化服务,如快速物流、售后支持和定制化方案。

高档电化学烟雾报警器在国内的应用优势体现在其适应性强。中国幅员辽阔,气候多样,国内厂家针对本土环境进行了优化,例如在湿度较高的南方地区,报警器防潮性能更出色;在北方干燥环境中,稳定性也得到保障。这种定制化设计进一步提升了产品的可靠性和使用寿命。

选择国内厂家供应的电化学烟雾报警器,不仅是高档消防产品的明智选择,更是对安全责任的担当。随着技术进步和市场发展,这些报警器将在更多领域发挥关键作用,守护人们的生命和财产安全。

如若转载,请注明出处:http://www.001af.com/product/252.html

更新时间:2026-05-24 17:20:50

产品列表

PRODUCT